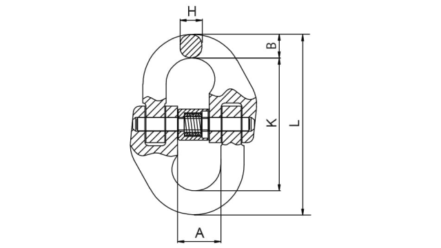
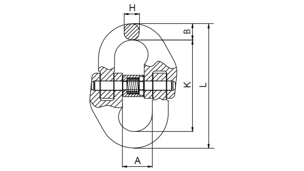
Ланка сполучна "Метелик" G80
Ланка сполучна G80 (клас міцності 8) - це розбірний такелажний елемент, призначений для збирання ланцюгових стропів та з'єднання різних компонентів вантажопідйомних систем. Різновид ланки "Метелик" використовується для з'єднання ланцюгів між собою або кріплення ланцюга до головної овальної ланки та гака.


